Сохраните в закладки:
*История изменения цены! Указанная стоимость возможно, уже изменилось. Проверить текущую цену - >
| Месяц | Минимальная цена | Макс. стоимость | Цена |
|---|---|---|---|
| Feb-17-2026 | 1.78 руб. | 1.23 руб. | 1 руб. |
| Jan-17-2026 | 1.16 руб. | 1.89 руб. | 1 руб. |
| Dec-17-2025 | 1.63 руб. | 1.36 руб. | 1 руб. |
| Nov-17-2025 | 1.19 руб. | 1.1 руб. | 1 руб. |
| Oct-17-2025 | 1.54 руб. | 1.36 руб. | 1 руб. |
| Sep-17-2025 | 1.15 руб. | 1.23 руб. | 1 руб. |
| Aug-17-2025 | 1.79 руб. | 1.41 руб. | 1 руб. |
| Jul-17-2025 | 1.61 руб. | 1.38 руб. | 1 руб. |
Новые товары
Характеристики
Описание товара
Пользуюсь уже несколько месяцев этими щипцами, вообще привыкла назвать утюжок 2в1. Очень удобно укладка получается великолепной, быстро нагревается и остывает.... Читать отзыв полностью...
В любом деле люблю аккуратность. Данный органайзер позволил идеально устроить рабочее место, в подставке хорошо помещаются основные необходимые канцелярские принадлежности.... Читать отзыв полностью...
Платье заказывала для себя в двух экземплярах-сирене вое и желтое. Доставили оперативно. Подошло идеально, размер соответствует. Материал очень приятный на... Читать отзыв полностью...
За такие деньги данный бюстгалтер это просто чудо. Искала бюстгалтер очень долгое время не могла найти подходящий, но этот оказался... Читать отзыв полностью...
Товар отличный. Для чистки кишечника без лишнего вливания воды. Дальше наконечника вода не уходит. Нужно лечь на живот. Залейте воду... Читать отзыв полностью...

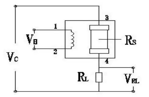
Примечание:На изображении выше показана основная схема тестирования датчика MP-2. Датчик должен применять два напряжения: напряжение нагревателя (VH) и тестовое напряжение (VC). Среди них, VH используется для обеспечения определенной рабочей температуры для датчика, и он может быть DC или AC питания. VRL-это напряжение на нагрузочном сопротивлении (RL), соединенное в серии с датчиком. VC-это испытательное напряжение для сопротивления нагрузки RL, и требуется источник питания постоянного тока. 

Давно был в поисках хорошей, а также качественной футболки. Нашел данную футболку и она мне понравилась. Смотрится хорошо и видно,... Читать отзыв полностью...